What Is Task Dependency Online Help Zoho Projects

35 Pmp Tutorial Project Schedule Activity Relationships Finish Start F F S F S S Youtube

Primavera P6 And Highlighting Ss And Ff Relationships


Gantt Chart 4 Types Of Task Dependencies In Project Management Agile Zentao
3

Project Time Management Pmp Study Group Time Management
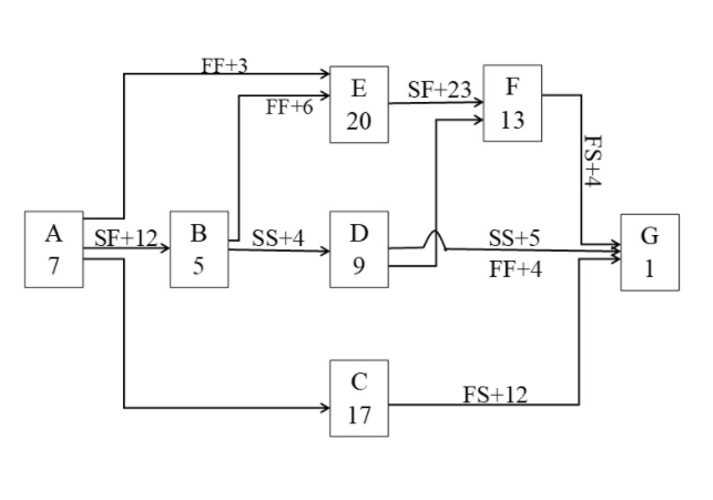
Solved Ff 3 Sf 23 F Ff 6 E 20 13 Fs 4 Ss 4 G A 7 Sf 12 B 5 Chegg Com

Ms Project 101 Add Task Relationships Fs Ff Ss Sf Youtube

The Differing Negative Fs And Positive Ss Schedule Outcomes

Ms Project Links And Dependencies Fs Ss Ff Sf Part 18 Of 55 Youtube

Scheduling Activity Relationship Ss Fs Ff Sf Start Date Finish Date Download Scientific Diagram
Tags:
Archive